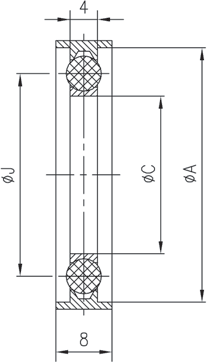
KF elastomer seals, outer center ring

| KF elastomer seals, outer center ring | |||||
| NW | A | C | J | ||
| 10/16 | 30 | 16 | 23 | ||
| 20/25 | 40 | 24 | 33 | ||
| 32/40 | 55 | 40 | 48 | ||
| 50 | 75 | 50 | 59 | ||
| 63 | 87 | 68 | 77 | ||
| Type NW | Teflon® / FEP | Teflon® / Viton® | Alu / Viton® | Alu/SUS/Viton® | SUS / Viton® | ||||||
| 10/16 | - | 34.016035.121.616 | 34.016037.121.816 | 34.016034.121.516 | 34.016032.121.316 | ||||||
| 20/25 | 34.025031.121.225 | 34.025035.121.625 | 34.025037.121.825 | 34.025034.121.525 | 34.025032.121.325 | ||||||
| 32/40 | 34.040031.121.240 | 34.040035.121.640 | 34.040037.121.840 | 34.040034.121.540 | 34.040032.121.340 | ||||||
| 50 | 34.050031.121.250 | 34.050035.121.650 | 34.050037.121.850 | 34.050034.121.550 | 34.050032.121.350 | ||||||
| 63 | 34.063031.121.263 | 34.063035.121.663 | |||||||||