KF-CeFiX blanking plates

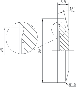
| EVAC KF-CeFiX® blanking plates | ||||
| NW | A | B | ||
| 16 | 30 | 21.4 | ||
| 25 | 40 | 32.9 | ||
| 40 | 55 | 48.3 | ||
| 50 | 75 | 61.8 | ||
| 63 | 87 | 82.5 | ||
| Type NW | SUS 316L | ||
| 16 | 32.016005.640.316 | ||
| 25 | 32.025005.640.325 | ||
| 40 | 32.040005.640.340 | ||
| 50 | 32.050005.640.350 | ||
| 63 | 32.063005.640.363 |