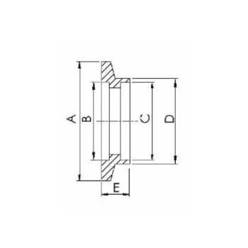
KF Socket weld flange


| Parts NO. | Flange Ref. | Material | A | B | C | D | E | ||||||||
| 0-FL-WS-N10 | KF10 | 304 S.S. | 30 | 13 | 12.2 | 16.5 | 12.7 | ||||||||
| 0-FL-WS-N16 | KF16 | 304 S.S. | 30 | 19.3 | 17.2 | 20.5 | 12.7 | ||||||||
| 0-FL-WS-N25 | KF25 | 304 S.S. | 40 | 25.7 | 26.2 | 29 | 12.7 | ||||||||
| 0-FL-WS-N40 | KF40 | 304 S.S. | 55 | 38.4 | 41.2 | 44.7 | 12.7 | ||||||||
| 0-FL-WS-N50 | KF50 | 304 S.S. | 75 | 51 | 52.2 | 57.4 | 12.7 | ||||||||
| 0-FL-WS-N320 | KF320 | 304 S.S. | 356 | 318.5 | 318.1 | 340 | 12.7 | ||||||||
| 0-FL-WS-N400 | KF400 | 304 S.S. | 438 | 406.4 | 400.6 | 422 | 12.7 |