sTeRIc clamp viewports, ISO 2852
Manufactured from high-grade stainless steel (SUS316L), these fittings are fully sterilizable. Flange dimensions conform to ISO 2852 standards, and the tubes are compliant with ISO 1127. Seals are offered in a variety of materials, including Viton, silicone, EPDM, among others.This system is essential for applications requiring a gap-free connection to meet stringent Cleaning in Place (CIP) standards. The seamless flange transitions and specially designed wave pattern of the bellows facilitate in-situ brush cleaning, eliminating the need for disassembly and minimizing the risk of introducing external contaminants.
產品詳細資料
Applications
 
- Applications: food, dairy, beverage, pharmaceutical and biotech
- Vacuum 10E-7 mbar for overpressure up to 10 bar
- Fully sterilizable
- Extreme fine surface rougness for ultra clean applications
- Wide temperature range -200…+200 degC (special seals / clamps)
- Duran® available for UV protected applications
 
 
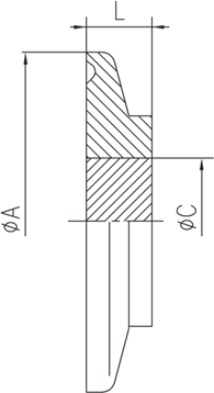
sTeRIc clamp™ viewports, ISO 2852
Size A C L
25 50.5 25 7
40 64 52 7
65 91 76 10
80 106 90 10
 
 
Size 1.4462 / Duran®
25 32.025004.961.325
40 32.040004.961.340
65 32.065004.961.365
80 32.080004.961.380