Applications
- UHV applications up to 10E-11 mbar
- Pressurized applications up to 300 bar
- Cryo applications down to -270 degC
- Oven applications up to 450 degC (nickel seals)
- CeFiX® registered system by EVAC
- Flange seals reusable up to 10 times (provided no scratches)
- Helium leak test notches provided
- CF flange SUS304 / CeFiX® flange and tube 316L
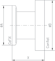
|
KF-CeFiX® adapters |
|
NW |
CF |
A |
X |
B |
|
16 |
1.333" |
30 |
30 |
34 |
|
25 |
2.125" |
40 |
45 |
54 |
|
40 |
2.750" |
55 |
45 |
70 |
|
50 |
3.375" |
75 |
50 |
86 |
|
63 |
4.500" |
87 |
60 |
114 |
|
Type NW |
SUS 304 / SUS 316L |
|
16 |
33.016003.68A.301/01 |
|
25 |
33.025003.68A.302/02 |
|
40 |
33.040003.68A.304/04 |
|
50 |
33.050003.68A.305/05 |
|
63 |
33.063003.58A.306/06 |