KF-CeFiX flanges

| EVAC KF-CeFiX® flanges, UHV | ||||||||||
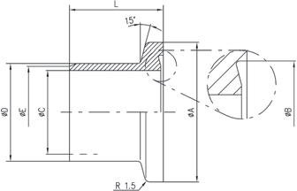
| NW | A | B | C | D | E | L | ||||
| 16 | 30 | 21.4 | 16 | 20 | - | 22 | ||||
| 25 | 40 | 32.9 | 24 | 28 | - | 22 | ||||
| 40 | 55 | 48.3 | 40 | 44.5 | - | 27 | ||||
| 50 | 75 | 61.8 | 50 | 57 | - | 30 | ||||
| 63 | 87 | 82.5 | 70 | 76 | - | 30 | ||||
| 16(US)* | 30 | 21.4 | 16 | 20 | 19 | 22 | ||||
| 25(US)* | 40 | 32.9 | 24 | 28 | 27 | 22 | ||||
| 40(US)* | 55 | 48.3 | 35 | 44.5 | 38 | 27 | ||||
| * US size dimensions in mm | ||||||||||
| Type NW | SUS 316L | SUS 316L | ||
| 16 | 32.016005.631.316 | 32.016005.637.316 | ||
| 25 | 32.025005.631.325 | 32.025005.637.325 | ||
| 40 | 32.040005.631.340 | 32.040005.637.340 | ||
| 50 | 32.050005.637.350 | |||
| 63 | 32.063005.631.363 | |||