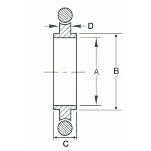
ISO Centering rings with NBR O-ring


| Parts NO. | Flange Ref. | C/R Material | O-ring Material | O-ring size | A | B | C | D | |||||||||
| 0-CR-N-63-NS | ISO63 | 304 S.S. | NBR | AS-336 | 67 | 69.5 | 8 | 3.9 | |||||||||
| 0-CR-N-80-NS | ISO80 | 304 S.S. | NBR | AS-340 | 80 | 82.6 | 8 | 3.9 | |||||||||
| 0-CR-N-100-NS | ISO100 | 304 S.S. | NBR | AS-347 | 100 | 101.6 | 8 | 3.9 | |||||||||
| 0-CR-N-160-NS | ISO160 | 304 S.S. | NBR | AS-361 | 150 | 152.6 | 8 | 3.9 | |||||||||
| 0-CR-N-200-NS | ISO200 | 304 S.S. | NBR | AS-371 | 210 | 212.6 | 8 | 3.9 | |||||||||
| 0-CR-N-250-NS | ISO250 | 304 S.S. | NBR | AS-377 | 257.5 | 260.4 | 8 | 3.9 | |||||||||
| 0-CR-N-320-NS | ISO320 | 304 S.S. | NBR | AS-454 | 312 | 318.3 | 8 | 5.6 | |||||||||
| 0-CR-N-400-NS | ISO400 | 304 S.S. | NBR | AS-462 | 394 | 399.2 | 12 | 5.6 | |||||||||
| 0-CR-N-500-NS | ISO500 | 304 S.S. | NBR | AS-469 | 494 | 500.2 | 12 | 5.6 | |||||||||
| 0-CR-N-63-NA | ISO63 | Aluminum | NBR | AS-336 | 67 | 69.5 | 8 | 3.9 | |||||||||
| 0-CR-N-80-NA | ISO80 | Aluminum | NBR | AS-340 | 80 | 82.6 | 8 | 3.9 | |||||||||
| 0-CR-N-100-NA | ISO100 | Aluminum | NBR | AS-347 | 100 | 101.6 | 8 | 3.9 | |||||||||
| 0-CR-N-160-NA | ISO160 | Aluminum | NBR | AS-361 | 150 | 152.6 | 8 | 3.9 | |||||||||
| 0-CR-N-200-NA | ISO200 | Aluminum | NBR | AS-371 | 210 | 212.6 | 8 | 3.9 | |||||||||
| 0-CR-N-250-NA | ISO250 | Aluminum | NBR | AS-377 | 257.5 | 260.4 | 8 | 3.9 | |||||||||
| 0-CR-N-320-NA | ISO320 | Aluminum | NBR | AS-454 | 312 | 318.3 | 8 | 5.6 | |||||||||
| 0-CR-N-400-NA | ISO400 | Aluminum | NBR | AS-462 | 394 | 399.2 | 12 | 5.6 | |||||||||
| 0-CR-N-500-NA | ISO500 | Aluminum | NBR | AS-469 | 494 | 500.2 | 12 | 5.6 |