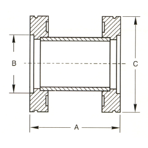
ISO Full Nipples


| Parts NO. | Flange Ref. | C/R Material | A | B | C | ||||||
| 0-NI-I-63 | ISO63 | 304 S.S. | 100 | 63.5 | 95 | ||||||
| 0-NI-I-80 | ISO80 | 304 S.S. | 100 | 76.2 | 110 | ||||||
| 0-NI-I-100 | ISO100 | 304 S.S. | 100 | 101.6 | 130 | ||||||
| 0-NI-I-160 | ISO160 | 304 S.S. | 100 | 152.4 | 180 | ||||||
| 0-NI-I-200 | ISO200 | 304 S.S. | 100 | 203.2 | 240 | ||||||
| 0-NI-I-250 | ISO250 | 304 S.S. | 100 | 254 | 290 | ||||||
| 0-NI-I-320 | ISO320 | 304 S.S. | 200 | 304.8 | 370 | ||||||
| 0-NI-I-400 | ISO400 | 304 S.S. | 200 | 406.4 | 450 | ||||||
| 0-NI-I-500 | ISO500 | 304 S.S. | 200 | 508 | 550 |