KF flanges
The KF standard is predominantly used for applications ranging from rough to high vacuum, with pressures up to 10E-9 mbar (100 nPa) or peak pressures up to 20 bar (2 MPa), depending on the flange diameter, seal material, and the geometry of the center ring. Inner center rings are utilized for vacuum applications, while outer center rings are preferred for overpressure situations. Combination rings are also available for scenarios where both vacuum and overpressure conditions may occur.

Using steel KF flanges with aluminum edge-type seals, the vacuum range can be extended to 10E-11 mbar (1 nPa), with a peak pressure capacity of up to 50 bar (5 MPa)
產品詳細資料
Applications
 
- Extreme UHV up to 10E-11 mbar
- Stainless steel for hassle free operations
- For inner and outer center rings
- Antimagnetic versions available
- For radiation hardened and cryo applications
- Temperature range -270 … +350 degC
- Extreme surface precision and flatness even under high bending
- Different welding stub length available
 
 
KF flanges, UHV
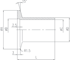
  L L
NW A B C D short long
10 30 12.2 10 14 20 50
16 30 17.2 16 20 20 50
25 40 26.2 24 28 20 50
40 55 41.2 40 44.5 25 50
50 75 52.2 50 57 30 60
63 87   70 76 30 60
 
Type NW Short flange 304 Short flange 316L Long flange 304 Long flange 316L
10 32.010003.111.510 32.010005.111.310 32.010003.112.510 32.010005.112.310
16 32.016003.111.516 32.016005.111.316 32.016003.112.516 32.016005.112.316
25 32.025003.111.525 32.025005.111.325 32.025003.112.525 32.025005.112.325
40 32.040003.111.540 32.040005.111.340 32.040003.112.540 32.040005.112.340
50 32.050003.111.550 32.050005.111.350 32.050003.112.550 32.050005.112.350
63 32.063003.111.563 32.063005.111.363 32.063003.112.563 32.063005.112.363